Výběr zdroje tepla
Vytápění baráku
Výběr zdroje tepla
říjen 2014
Nejdůležitější rozhodnutí - jaký zdroj tepla vlastně budeme nadále používat?
Aktuální stav:
Jak již bylo uvedeno, použvali jsme kotel na tuhá paliva HERKULES U26. Jedná se o kotel na dřevo, černé a hnědé uhlí - tedy univerzální a vhodný do venkovského prostředí. Ale, je vhodný i pro zajištění ekologického vytápění? To rozhodně ne. Kotel je základní emisní třídy č.1 a lepší nebude. V článku, věnující se legislativě jsem rozebíral, jaký vývoj v této oblasti se vlastně očekává a tak dříve, či později stejně dojde na výměnu kotle.
Než jsme ale dospěli k zásadnímu rozhodnutí, uběhlo poměrně hodně vody.
První, a poměrně logickou, variantou bylo využití stávajícího kotle. Má výkon až 24kW, což je na zateplený barák opravdu hodně, ale kdyby se instaloval dostatečně velký zásobník na teplou topnou vodu, mohl by se výkon kotle využít. Myšlenka byla jednoduchá - kotel se roztopí na maximum a teplo se bude předávat teplovodním způsobem do zásobníku. Kotel poběží jen tak dlouho, dokud nebude zásobník dostatečně zahřán. Pak se kotel nechá vychladnout a teplo pro vytápění se bude odebírat ze zásobníku. Trochu jsme doufali, že by mohl zásobník vydržet alespoň do druhého dne, než bude nutné opět pod kotlem zatopit.
A tak první zadání pro projektanta bylo dané. Ještě jsme uvažovali o dalším zdroji tepla - lokálních krbových kamnech s výměníkem. I ty by mohly v přechodném období zavlažit obytné prostory a přebytek tepla by se opět shromažďoval v zásobníku.
Projektant nás ale jedoduchým výpočtem uvedl na pravou míru. Z jeho výpočtů vyplývalo, že:
- kotel potřebuje minimálně cca 600l zásobník - to je dáno bezpečnostním požadavkem, aby kotel mohl také včas uhasnout a nemohlo dojít k přetopení zásobníku,
- z energetických nároků baráku byl dopočítán rozumný objem zásobníku - návrh zněl na 1800 až 2000l vody.
I za těchto okolností by bylo nutné uvažovat v zimně s denním zatápěním, neboť zásoba energie v objemu 2000l není zase tak veliká. Trochu nás to zarazilo, ale připravovali jsme se dále.
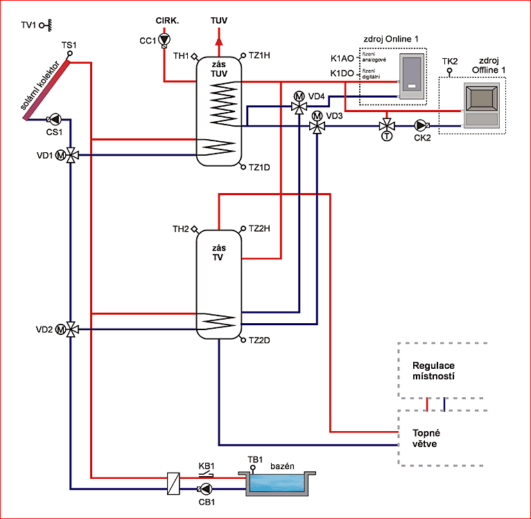
Narazili jsme na problém velikosti zásobníku: požadavek na 2000 litrů nebylo možné splnit jedním zásobníkem, vyrábějí se (z technologických a ekonomických důvodů) většinou zásobníky stojaté a ty mají výšku i přes dva metry. To nepřicházelo v úvahu, máme nízké stropy. Nakonec jsem nalezl dodavatele, který vyrábí zásobníky o velikosti 600l, které by bylo možné, po zapuštění do podlahy, instalovat někam do suterénu. Takže - zásobníky alespoň dva, lépe tři a nejlépe čtyři. OK, kam je však umístnit? Teoreticky jsme již obětovali polovinu plochy garáže, ono by to nějak vyšlo, s komplikacemi, ale vyšlo.
Další problém - regulace. Najít systém, který dokáže regulovat alespoň jeden neřízený zdroj (kotel), jeden řízený zdroj (elektrospirála jako náhradní a nouzový zdroj), dokáže uregulovat minimálně dva nezávislé okruhy (samostatné topení prvního a druhého patra), to není jen tak. Nakonec jsem své hledání zakončil částečným úspěchem - nalezl jsem výrobce - firmu AMIT, který měl ve svém sortimentu poměrně robustní řídící systém - ADOREG. Jedná se o typovou stavebnici na bázi programovatelných automatů. Je vyvinuto několik typizovaných řešení a naše požadavky by se tam daly aplikovat.
Dlouho jsem systém studoval, zdálo se, že by skutečně mohl vyhovět. Dokonce bylo možné systém dálkově monitorovat a rozšiřovat. Stále však jen v rozsahu doporučeného zapojení. Takže - například řízení teploty v jednotlivých místnostech by možné bylo, (systém umožňoval řídit až 12 místností). Problém by mohl nastat v řízení a regulaci solárního ohřevu TUV, náš systém již běží a muselo by se zřejmě stávající regulátor vyřadit a nahradit jej ADOREGEM. Dokonce jsem vyřešil můj požadavek na uzavírání radiátorů v místnosti, kde je právě otevřené okno - bylo to ale poměrně složité.
A nakonec jsme si vzali papír a kalkulačku a začali počítat. Stávající kotel - OK, nové zásobníky (4ks), to je drahá záležitost, pokud se započítá ještě důkladná izolace..., a drahá regulace. Výsledek nám vyrazil dech.
Tak jsme se tedy zastavili a začali hledat řešení další. Nejlépe systematicky.
Jaké jsou vlastně možnosti:
Uhlí - stávající systém, hodně kouře, problém s emisemi (a to již nyní, vždy jsme se styděli za černý dým při roztápění kotle), neustálý a všudepřítomný prach v kotelně, uhelně a v celém suterénu, problém se zapalováním, problém s popelem (kterého je čím dál, tím více).
Variantou by mohl být automatický kotel na uhlí - s emisemi je to již vyřešeno, ale uhlí, včetně prachu a popele - to zůstává.
Dřevo - samotné drřevo jen tak spalovat sice jde, ale účinnost v běžném kotli není nijak vysoká a ta spotřeba dřeva a té práce, při jeho přípravě a nutnost dlouhodobého sušení... opět problém.
Variantou je spalování štěpky, nebo dřevo zplynovat. Zplynování je řešením, jedná se o čistý zdroj tepla, ale zůstává pořád nutnost velké zásoby dřeva.
Biomasa - peletky, obilí atd. - perfektní, čisté, nelze však spalovat cokoliv a je nutné se specializovat na jeden druh paliva. Zde je nutné počítat s dobrým a trvalým zdrojem paliva.
LTO - tak toto jsme vůlbec neuvažovali, příliž drahé, problém se skladováním, nákupem a dovozem paliva. Ne, tudy cesta nevede.
Plyn obecně - perfektní a čisté řešení, trochu problém - plyn je strategická surovina a když není, tak není. Vzduchem nezatopíš. A navíc, plyn u nás není zaveden a plynové zásobníky - to je přepychové řešení a také přepychově drahé. A to pomíjíme nemožnost příjezdu velké cisterny.
Elektřina - naprosto minimální náklady na výstavbu (takové podlahové vytápění, to je věc), ale... cena provozu není ani střední, je prostě velká. Orientační výpočty na potřebu baráku prostě ukazují na velké provozní náklady.
Tepelné čerpadlo - u nás je myslitelné jen čerpadlo s hloubkovými vrty, nebo vzduch vzduch. To druhé řešení by sice mohlo přicházet v ůvahu, dokonce jsme našli i vhodné místo pro instalaci vnitřní části čerpadla, ale nakonec jsme od této myšlenky upustili. Bydlíme v krásné přírodě, v zimně, když je příroda schována pod sněhovou přikrývkou je zde takové ticho... no ado toho by hučela vzduchotechnika - nic pro nás.
Hloubkové vrty by bylo lepší řešení. Orientačně jsme stanovili dva vrty o délce cca 50m. Dokonce jsme si i vytipovali místo pro tyto vrty, místo, kam instalovat vlastní technologii a začali jsme obíhat úřady. Nebudu podrobně popisovat, ale byl to boj. Jsme v důlním území a bylo vymalováno.
Solární systém - to je na první pohled zajímavé řešení. Jenže, z vytěžováním energie ze slunce již máme dlouhodobou zkušenost a tak nebyl problém si sednout a vypočítat potřebnou plochu panelů - a je provní problém - kam s nimi. A druhý problém? Co s přebytkem tepla v létě? To budeme kvůli tomu stavět bazén? Takže ne, nechápu, jak může někdo toto řešení propagovat. Asi i proto máme tolik bazénů...
Tak zpět - vracíme se buď k automatickému kotli na uhlí, nebo na dřevo. A nebo na peletky. Ty peletky nás zaujaly a tak jsem tomu věnoval poměrně hodně energie. Provedl jsem analýzu kotlů, které na trhu byly k dostání, a nakonec vypadl jeden výrobce - PONAST.
Nabízel pěkné malé kotle na peletky. Hned na první pohled se mi líbil typ KP 12.1 s výkonem 14kWh (červený kotel). Stáhl jsem si dostupné dokumenty a studoval. Rozměrově by se nám do kotelny skutečně pěkně vešel. Kdyby vedle kotle byla i týdenní nádoba a z uhelny by se udělal sklad pytlů s peletkami - nebylo by to špatné řešení.


Ta nádoba vedle kotle slouží na ukládání popílku, aby se prodloužila doba, než bude nutné popílek odnést. A když jsem na veletrhu v Praze u stánku PONASTu uviděl novinku - kotel KP 12.1S nové linie (žlutý kotel), bylo téměř rozhodnuto. Tento nový kotel disponoval již moderním řízením, slíbena bylo i připojení na internet.
Byl jsem se podívat až ve výrobě, abych si udělal co nejlepší představu o funkčnosti a vlastnostech kotle. Technik PONASTu nám obratem zpracoval návrh velkého zásobníku na peletky, který by měl pojmou cca dvoutýdenní zásobu. měli jsme tedy představu o finanční náročnosti a my zahálili přípravné práce.
Stále jsem ale měl některé připomínky ke kotli samotnému:
1. kotel sice uměl sám zapálit peletky, ale dělal to tak, že nasypal hrst peletek na žhavící těleso, to elektricky rozžhavil, až peletky zahořely. To trvalo docela dlouho a zbytečně se mrhala elektrická energie. Kotel neuměl vyhodnotit, zda peletky při útlumu stále nehoří a tak zapalování po cca 20 minutách odstávky opět draze zapaloval,
2. při shlédnutí kotle v praxi se mi zdálo, že je poměrně hodně nespálených peletek kolem hořáku a hlavně, hořák je poměrně veliký. Výrobce nezaručoval funkčnost kotle při malém odběru energie a tak muselo zákonitě docházet ke střídání hoření a útlumu, následovaným neustálým zapalováním nových peletek.
3. nebyl jsem přesvědčen o tom, že kotel bude schopen pracovat bez akumulačního zásobníku s malým odběrem tepla.
4. tehdejší systém regulace ne zcela přesvědčivě zvládal dva topné okruhy. Měl jsem problém získat relevantní informace o systému regulace - byl v té době ve stadiu vývoje.
Prostě, nebylo to až tak ono.
Při analýze nutných úprav kotelny jsme narazili na zajímavou informaci. U původního kotle jsme měli dojem, že málo táhne a že nemáme v pořádku asi komín. Nechal jsme tedy ověřovat odtah komína a s překvapením jsem zjistil, že je tah komína naopak velmi vysoký a peletkový kotel nebude pracovat v optimálních podmínkách. Další problém k řešení. Nakonec se ukázalo, že i toto lze vyřešit.
Existuje tzv. "regulátor tahu komína". Instaluje se pod napojení kotle do komína a v podstatě jde o klapku, která při zvýšeném tahu vpustí do komína dodatečný vzduch z prostoru kotelny. A tento regulátor, mimo jiné, dodává fy. ESEL. A tak první stavební úprava kotelny vlastně byla instalace regulátoru odtahu komína.
Mimochodem - naměřený podtlak v teplém komíně byl až 0,8 mbar, tedy až čtyřikrát vyšší, než požadovaný výrobcem kotlů - většinou se udává hodnota 0,2 mbar. A zbytečně velký odtah znamená také zbytečně velký únik tepla komínem.
Následovaly opět dny studia a hledání optimálních řešení a má návštěva dalšího veletrhu.
Zkontroloval jsem stav nabídky PONASTu a pak si všiml stánku ESEL. Měli tam vystavenou řadu kotlů na peletky a mezi nimi byl i pro mne neznámý kotel Biostar. Ten mne zaujal a tak jsem se zastavil za účelem získání dalších údajů a informací. To, co jsem zjistil mi vyrazilo dech. To bylo ono, takto jsem si pořádný kotel představoval - tedy, až na tu cenu, ta mi vyrazila zprvu dech. Kotel byl krásný, papírově ideální, jen kdyby byl v provozu. Nakonec se ukázalo, že i to není neřešitelné - firma má svůj ukázkový provoz - salón kotlů a navíc, dohodli jsme si návštěvu na Dni otevřených dveří v automatické kotelně v Týnci nad Bečvou.
Tam jsme již jeli oba dva, jedná se o velkou investici a rozhodnutí musí být také společné.
V upravené garáži vedle běžícího kotle jsme pak strávili více než hodinu diskuzí s jednatelem společnosti, dodávajícího tyto kotle. Čím dál více jsme nabývali vnitřního přesvědčení, že je to ten pravý zdroj tepelné energie.
Doma jsme pak dlouze probírali velkou cenu celého kotle a zvažovali všechna pro i proti. Nakonec jsem si vzal tužku a papír a načrtl variantu PONAST (kotel s týdenním zásobníkem, zásobníky teplé vody, regulace a řízení, odhad nákladů na instalaci nutných prvků, ventilů, oběhových čerpadel a podobně). Pro porovnání jsem pak vypracoval totéž pro Biostar - zde to bylo jednodušší (kotel (v ceně je i doprava peletek a regulace), bez zásobníků..) a bylo jasné. Rozdíl byl jen necekých 100 tis. v neprospěch Biostaru. A to již stálo za úvahu. To byla cena za luxus vybraného kotle.
A navíc - Biostar umí pracovat jak v nízkoteplotním systému (38°C), tak i se systémem vysokoteplotním - max. telota je 80°C. To velmi otevírá možnosti k řešení způsobu přenosu tepla do místností.
Ještě chvíli jsme váhali, ale nakonec rozhodli - pořídíme Biostar a zjednodušíme celý systém vytápění.
